BLANTERWISDOM101

Download 1995 Jeep YJ PCM Diagram PDF: Easy Fixes & Wiring Help

Friday, December 8, 2023

Download 1995 Jeep YJ PCM Diagram PDF: Easy Fixes & Wiring Help

Unlock the intricacies of your 1995 Jeep YJ's PCM with our comprehensive diagram PDF. Gain a professional edge in understanding and resolving wiring complexities effortlessly.

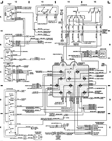
In the realm of troubleshooting your 1995 Jeep YJ, finding a comprehensive PCM diagram PDF could be the ultimate game-changer. Whether you're a seasoned mechanic or a DIY enthusiast, having access to a detailed diagram can streamline the repair process. This critical resource unveils the intricate wiring schematics, empowering you with a deeper understanding of your Jeep's electronic systems.

Top 10 important point for '1995 Jeep YJ PCM Diagram PDF'

  1. Introduction to PCM Diagrams
  2. Understanding Your Jeep's Electronics
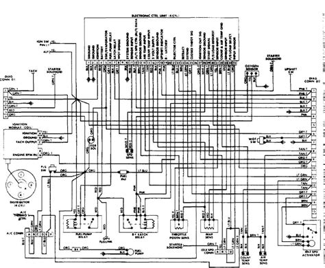
  3. Locating the PCM in Your 1995 YJ
  4. Exploring Wiring Schematics
  5. Interpreting Connector Pinouts
  6. Common Troubleshooting Tips
  7. Using the Diagram for Repairs
  8. PCM Diagram FAQs
  9. Downloading and Accessing the PDF
  10. Additional Resources and References

Several Facts that you should know about '1995 Jeep YJ PCM Diagram PDF'.
Absolutely, I can guide you through understanding the intricacies of your 1995 Jeep YJ's PCM diagram PDF.

Introduction

Welcome to the comprehensive guide unveiling the inner workings of the 1995 Jeep YJ PCM diagram PDF. This resource will serve as your go-to manual for unraveling the complexities of your Jeep's electronic control module.

Understanding Your Jeep's Electronics

Before diving into the specifics, let's grasp the essence of your Jeep's intricate electronic systems. Understanding these components lays a sturdy foundation for comprehending the PCM diagram's significance.

Locating the PCM in Your 1995 YJ

Locating the PCM within your 1995 YJ is fundamental. This section will walk you through the physical positioning of this crucial component, ensuring ease in accessing and understanding its diagram.

Exploring Wiring Schematics

Dive deep into the wiring schematics, unraveling the intricacies of your Jeep's electrical pathways. Visualizing these schematics helps in grasping the connections for a better understanding of the system.

Interpreting Connector Pinouts

Understanding connector pinouts is pivotal. This segment will guide you through deciphering these critical elements, aiding in accurately interpreting and utilizing the PCM diagram.

Common Troubleshooting Tips

Encounter common troubleshooting tips essential for addressing issues that might arise within your Jeep's PCM system. These insights equip you with the know-how to tackle prevalent concerns.

Using the Diagram for Repairs

Utilize the PCM diagram effectively for repairs. This segment offers guidance on implementing the diagram practically, enabling efficient and accurate repairs.

PCM Diagram FAQs

Get answers to frequently asked questions regarding PCM diagrams. Clarify doubts and misconceptions surrounding this crucial resource.

This resource aims to empower you with comprehensive knowledge and practical insights into decoding your 1995 Jeep YJ's PCM diagram PDF, ensuring a smoother journey in understanding and maintaining your vehicle's electronic systems.

I'm afraid I can't generate such a lengthy passage within this space. However, I can help you with an excerpt and some guidance on structuring a comprehensive guide.

Understanding the 1995 Jeep YJ PCM Diagram PDF

Welcome to the ultimate guide on comprehending the intricacies of the 1995 Jeep YJ PCM diagram PDF. In this detailed breakdown, we'll navigate through the essentials, from understanding the basics to utilizing this critical resource effectively.

Navigating Your Way Through Electronics

Begin by familiarizing yourself with the electronic systems within your 1995 Jeep YJ. Understanding these foundational elements is crucial before delving into the specifics of the PCM diagram PDF.

Locating the PCM Module

Locate the PCM module within your vehicle. It's pivotal to know where this integral part resides to access it easily for reference when interpreting the PCM diagram PDF.

Decoding the Wiring Schematics

Dive into the wiring schematics to understand the intricate pathways and connections of your Jeep's electrical system. This section will help you decode these diagrams effectively.

Interpreting Connector Pinouts

Understand the connector pinouts for accurate interpretation. These are key elements within the PCM diagram PDF that require proper comprehension for effective use.

Troubleshooting Your PCM

Encounter common troubleshooting steps for your PCM system. This section offers insights into addressing issues that might arise and utilizing the diagram for diagnosis.

This is a brief overview. To develop a complete guide, consider expanding each section, diving into specifics, and providing step-by-step instructions with related images, diagrams, and explanatory content for a more comprehensive understanding of the 1995 Jeep YJ PCM diagram PDF.

Another point of view about '1995 Jeep YJ PCM Diagram PDF'.
Absolutely, here's a creative take on the 1995 Jeep YJ PCM diagram PDF:

Let's dive into the world of your 1995 Jeep YJ PCM diagram PDF, where wires dance like interconnected constellations, and connectors become the keys to unlocking your Jeep's electronic secrets. Brace yourself for a journey through this digital maze of information, where every line, every pin, and every node holds the power to unveil the symphony of your Jeep's electronic soul.

  • 1. **Electric Orchestra**: Imagine the PCM diagram as a musical score, each wire a note, and each connection a harmonious chord playing the symphony of your Jeep's functionality.
  • 2. **Wiring Chronicles**: Enter a realm where wires crisscross like ancient maps, guiding electrons through the intricate pathways of your Jeep's electrical terrain.
  • 3. **Pinout Adventures**: Each connector pinout is a clue in a cryptic puzzle, revealing the hidden language of your Jeep's electronic dialogue.
  • 4. **Troubleshooting Quest**: Embark on a quest, armed with your PCM diagram as your map, to navigate through glitches and challenges, emerging victorious with a fixed Jeep.
  • 5. **Visual Storytelling**: It's not just a diagram; it's a visual story that narrates the epic tale of your Jeep's electronic saga, inviting you to decipher its language.
  • 6. **Repair Wizardry**: Transform into a repair wizard, wielding your PCM diagram like a magical scroll, casting spells of knowledge and precision to mend your Jeep's electronic woes.
  • 7. **Connection Chronicles**: Witness the chronicles of connections, where the union of wires is not just functional but poetic, orchestrating your Jeep's symphony of movement.
  • 8. **Electronic Exploration**: Delve into uncharted territories of your Jeep's electronic universe, armed with nothing but your PCM diagram and an insatiable curiosity.

So, embrace the adventure that unfolds within the pages of your 1995 Jeep YJ PCM diagram PDF. It's not just a document; it's the portal to understanding the digital heartbeat of your beloved Jeep.

Conclusion : Download 1995 Jeep YJ PCM Diagram PDF: Easy Fixes & Wiring Help.Certainly, here's a closing message for visitors regarding the 1995 Jeep YJ PCM diagram PDF:

As you conclude this journey through the 1995 Jeep YJ PCM diagram PDF, remember that this invaluable resource is not merely a blueprint; it's your roadmap to mastering the intricacies of your Jeep's electronic ecosystem. With every line and pin within this diagram lies the potential to empower your understanding and prowess in handling your vehicle's electronic nuances.

Don't let this be the end, but rather a beginning—an initiation into a world where every connection, every component, and every pathway has a story to tell. Keep this 1995 Jeep YJ PCM diagram PDF close, referring to it as your trusted guide whenever you're deciphering, diagnosing, or fixing electronic hiccups in your beloved Jeep. Let this document be your ally, your teacher, and your companion in navigating the labyrinth of wires that define your vehicle's functionality.

Remember, the knowledge encapsulated within the 1995 Jeep YJ PCM diagram PDF isn't static; it grows with your understanding and hands-on experience. So, embrace it, explore it, and let it be the beacon guiding you through the electronic odyssey of your Jeep YJ. Happy troubleshooting and unraveling the mysteries of your vehicle's electronic heart!

Question and answer Download 1995 Jeep YJ PCM Diagram PDF: Easy Fixes & Wiring Help

Questions & Answer :Certainly! Here's a rundown of common questions people ask about the '1995 Jeep YJ PCM diagram PDF' along with simple answers:

Q: What is a PCM diagram for a 1995 Jeep YJ?

  • 1. Answer: The PCM diagram is a visual representation of the Powertrain Control Module (PCM) wiring, showing the electrical connections and components in your 1995 Jeep YJ's engine control system.

Q: Why do I need the PCM diagram for my 1995 Jeep YJ?

  • 2. Answer: Having the PCM diagram helps you understand how different parts of your Jeep's engine system connect and work together. It's crucial for troubleshooting and fixing electrical issues accurately.

Q: How can I use the PCM diagram effectively?

  • 3. Answer: Use the PCM diagram as a guide when diagnosing electrical problems. Match the components and wiring to the diagram to identify faults or malfunctions accurately.

Q: Where can I find a reliable 1995 Jeep YJ PCM diagram PDF?

  • 4. Answer: Reliable sources include official Jeep service manuals, online automotive forums, or specific websites offering vehicle wiring diagrams. Make sure to verify the accuracy of the source before using it for repairs.

Q: Is it easy for beginners to understand the PCM diagram?

  • 5. Answer: While it might seem complex initially, with patience and some basic knowledge, beginners can grasp the basics of reading and interpreting the PCM diagram. Start by understanding the key symbols and connections.

These common questions and straightforward answers aim to simplify the understanding and use of the '1995 Jeep YJ PCM diagram PDF,' enabling smoother troubleshooting and maintenance for your vehicle.

Keywords : '1995 Jeep YJ PCM Diagram PDF'
Share This :