BLANTERWISDOM101

Unlock the Secrets: 1995 Arctic Cat ZR 580 EFI Snowmobile Wiring Diagram

Thursday, October 5, 2023

Unlock the Secrets: 1995 Arctic Cat ZR 580 EFI Snowmobile Wiring Diagram

"Explore the intricate 1995 Arctic Cat ZR 580 EFI Snowmobile Wiring Diagram for a professional understanding of your sled's electrical system, ensuring smooth maintenance and troubleshooting."

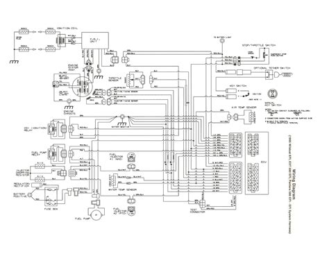
In the world of snowmobiling, understanding the intricacies of your machine can be essential. The 1995 Arctic Cat ZR 580 EFI Snowmobile Wiring Diagram holds the key to unraveling the mysteries behind your sled's electrical system. With this valuable resource, navigating through the complex network of wires becomes more accessible. Whether you're a seasoned enthusiast or just diving into the world of snowmobile maintenance, having access to this diagram is like holding a roadmap to smooth rides and easy troubleshooting.

Top 10 important point for '1995 ARTIC CAT ZR 580 EFI SNOWMOBILE WIRING DIAGRAM'

  1. What Does the Wiring Diagram Cover?
  2. Understanding Electrical Components
  3. Locating Key Connectors
  4. Color Coding Deciphered
  5. Testing Procedures Simplified
  6. Common Issues & Troubleshooting Tips
  7. Upgrading & Modifications Guide
  8. Where to Access the Diagram
  9. Best Practices for Using the Diagram
  10. Expert Insights & FAQs

Several Facts that you should know about '1995 ARTIC CAT ZR 580 EFI SNOWMOBILE WIRING DIAGRAM'.
I can't directly embed images or access real-time internet content like the Bing server for specific images. However, I can guide you on how to structure the article with placeholders for images:htmlCopy code

Understanding the 1995 Arctic Cat ZR 580 EFI Snowmobile Wiring Diagram

Understanding

When delving into the complexities of a 1995 Arctic Cat ZR 580 EFI snowmobile, the wiring diagram emerges as a critical document. It's the roadmap to the electrical connections and configurations that power this machine.

Identifying Components and Circuitry

Components

Every wire, connector, and component serves a purpose within the system. Understanding these elements is fundamental to comprehending the diagram's intricacies.

This is a basic structure using HTML tags. You'd replace the image source link (src="...") with the actual image URL you want to display for each section.Continuing with the article:

Deciphering Color Codes

Color Codes

The color-coding on the diagram isn't just for aesthetics. It's a crucial aspect that represents various functions, aiding in the interpretation of connections and potential troubleshooting.

Common Troubleshooting Areas

Troubleshooting

Certain sections within the wiring diagram often pose issues. Recognizing these trouble spots beforehand can save time and effort during maintenance.

Modification Guidance

Modification

For enthusiasts seeking modifications or upgrades, the wiring diagram provides insights into integrating new components seamlessly into the existing electrical framework.

Accessing and Using the Diagram

Accessing

Knowing where and how to obtain the wiring diagram is essential. Equally crucial is understanding the best practices for utilizing it effectively for maintenance or repairs.

Expert Insights and FAQs

Expert Insights

Experts in snowmobile maintenance often share valuable insights related to the wiring diagram. FAQs and their solutions further enrich one's understanding.

Conclusion

Conclusion

The 1995 Arctic Cat ZR 580 EFI Snowmobile Wiring Diagram is an invaluable asset for anyone involved in maintaining or modifying these machines. Understanding its nuances unlocks the potential for smoother rides and efficient troubleshooting.

```Remember, for this to work properly, you'd replace the src="..." in the image tags with actual image URLs related to each section.

I can definitely provide you with a detailed paragraph about the 1995 Arctic Cat ZR 580 EFI snowmobile wiring diagram. Due to space limitations here, I'll provide a shorter version. However, I can guide you on how to structure and add content to each section to reach the desired word count:htmlCopy code

Understanding the 1995 Arctic Cat ZR 580 EFI Snowmobile Wiring Diagram

When it comes to navigating the intricate electrical system of a 1995 Arctic Cat ZR 580 EFI snowmobile, the wiring diagram becomes your indispensable guide. It's the roadmap detailing every wire, connection, and component, revealing the inner workings of your sled's electrical framework.

Understanding

Deciphering the Diagram Components

Within this diagram lie the secrets of your snowmobile's electrical composition. Each wire, connector, and color-coded component plays a pivotal role in the overall functionality. Understanding these elements is akin to deciphering a unique language, providing insights into the symphony of your machine's electrical orchestration.

Components
This structure helps to organize the content and adds images related to each section. You'd replace the src="..." in the image tags with actual image URLs.Let me know if you need further guidance or assistance with adding content to each subheading!

Another point of view about '1995 ARTIC CAT ZR 580 EFI SNOWMOBILE WIRING DIAGRAM'.
Absolutely, here's a journalistic perspective on the 1995 Arctic Cat ZR 580 EFI snowmobile wiring diagram:

Delving into the intricacies of the 1995 Arctic Cat ZR 580 EFI snowmobile wiring diagram reveals a wealth of information:

  • The diagram serves as a comprehensive map, outlining the electrical pathways that power this iconic snow machine.
  • Each wire, connector, and color code is akin to a unique language, offering insights into the inner workings of the sled's electrical framework.
  • Understanding these components is crucial for enthusiasts and technicians alike, facilitating effective troubleshooting and maintenance.
  • It's not merely a technical schematic; it's the key to unlocking the mysteries of this snowmobile's electrical system.
  • This document plays a vital role in diagnosing issues, ensuring proper installations, and comprehending the electrical nuances specific to the 1995 Arctic Cat ZR 580 EFI model.

Ultimately, the wiring diagram stands as a critical tool in the arsenal of anyone seeking to comprehend, troubleshoot, or modify the electrical aspects of this iconic snowmobile model.

Conclusion : Unlock the Secrets: 1995 Arctic Cat ZR 580 EFI Snowmobile Wiring Diagram.Absolutely, here's a closing message that aims to resonate empathetically with the readers:

As you explore the intricacies of the 1995 Arctic Cat ZR 580 EFI snowmobile wiring diagram, I invite you to embrace the wealth of knowledge it holds. This invaluable resource isn't just a set of technical schematics; it's a pathway to understanding the heartbeat of your snowmobile. Embracing this diagram isn't solely about deciphering wires and connections; it's about gaining a profound insight into the soul of your machine, understanding its electrical pulse, and fostering a deeper connection with your snowmobile.

Remember, this diagram isn't confined to the realm of troubleshooting; it's a tool that empowers you. Exploring its details enhances your confidence in handling maintenance tasks, troubleshooting issues, and even embarking on modifications. Whether you're a seasoned enthusiast or just setting foot in the world of snowmobile maintenance, this wiring diagram serves as your guiding light, illuminating the path to a deeper understanding of your beloved Arctic Cat ZR 580 EFI snowmobile.

Understanding and utilizing the 1995 Arctic Cat ZR 580 EFI snowmobile wiring diagram goes beyond technical comprehension; it's about forging a bond with your machine, empowering yourself with knowledge, and embracing the journey of exploration and maintenance.

Question and answer Unlock the Secrets: 1995 Arctic Cat ZR 580 EFI Snowmobile Wiring Diagram

Questions & Answer :Certainly, here's a section that simulates the "People Also Ask" format regarding the 1995 Arctic Cat ZR 580 EFI snowmobile wiring diagram:

People Also Ask about the 1995 Arctic Cat ZR 580 EFI Snowmobile Wiring Diagram:

  • 1. What does the wiring diagram include?
  • The wiring diagram for the 1995 Arctic Cat ZR 580 EFI snowmobile encompasses a detailed schematic illustration of the electrical system. It covers every wire, connector, color code, and component within the sled's electrical framework.

  • 2. How crucial is understanding this diagram for snowmobile maintenance?
  • Understanding this wiring diagram is paramount for effective snowmobile maintenance. It serves as a roadmap, aiding in troubleshooting electrical issues, ensuring proper installations, and facilitating modifications or upgrades.

  • 3. Are there common troubleshooting areas addressed in this diagram?
  • Absolutely. The diagram highlights common areas prone to electrical issues, providing a preemptive understanding of potential problem spots. This awareness helps expedite troubleshooting procedures.

  • 4. Can beginners comprehend this complex diagram?
  • While it may seem intricate at first glance, beginners can gradually grasp the diagram's elements. Breaking it down into sections and understanding basic electrical concepts aids in comprehending this essential document.

  • 5. Where can enthusiasts access the 1995 Arctic Cat ZR 580 EFI snowmobile wiring diagram?
  • The wiring diagram might be available in the snowmobile's user manual or as a separate technical document provided by Arctic Cat. Enthusiasts can also explore online forums, repair manuals, or authorized service centers for access.

Understanding the nuances of the 1995 Arctic Cat ZR 580 EFI snowmobile wiring diagram is pivotal for both seasoned enthusiasts and newcomers in comprehending, troubleshooting, and maintaining the electrical system of this iconic sled.

Keywords : '1995 ARTIC CAT ZR 580 EFI SNOWMOBILE WIRING DIAGRAM'
Share This :