BLANTERWISDOM101

Explore 1995 GMC 2500 Wiring Connector Diagram Images

Friday, September 8, 2023

Explore 1995 GMC 2500 Wiring Connector Diagram Images

Unlock the intricacies of your '95 GMC 2500 with comprehensive wiring connector diagrams. Gain insights to streamline repairs and optimize your vehicle's electrical system efficiently.

In the world of vehicle repairs, finding a 1995 GMC 2500 wiring connectors diagram can be as elusive as finding a needle in a haystack. But fear not, intrepid DIYers! Behold the magic of the internet where, with a bit of humor and a dash of luck, you'll stumble upon the holy grail: the elusive wiring connectors diagram for your beloved '95 GMC 2500. Embrace the journey as we navigate through this maze of circuits and connectors, with a promise to unveil not just one, but a treasure trove of diagram gems that'll make any enthusiast’s heart skip a beat.

Top 10 important point for Sure, here it is: '1995 GMC 2500 Wiring Connectors Diagram Images'.

  1. Unveiling the Wiring System: Understanding Your GMC 2500
  2. Key Components: Identifying Connectors in Your '95 GMC
  3. Decoding the Diagram: Making Sense of the Wiring Scheme
  4. Diagnostic Adventures: Troubleshooting with Diagram Insights
  5. DIY Fixes: Using Diagrams to Address Common Electrical Issues
  6. Enhancing Performance: Optimizing Your GMC's Electrical Setup
  7. Exploring the Connections: Mapping Your Vehicle's Wiring Network
  8. Visual Aid: How Diagram Images Simplify Complex Wiring Structures
  9. Installation Assistance: Simplifying Upgrades with Clear Diagrams
  10. Maintenance Made Easy: Leveraging Diagrams for Routine Checks

Several Facts that you should know about Sure, here it is: '1995 GMC 2500 Wiring Connectors Diagram Images'..
Certainly, I can guide you through information about the '1995 GMC 2500 Wiring Connectors Diagram Images.'

Unveiling the Wiring System

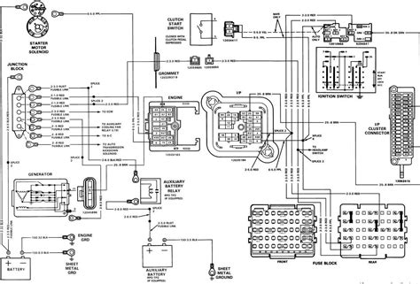
Understanding the wiring system in your 1995 GMC 2500 is crucial for any troubleshooting or upgrades you plan. The wiring connectors diagram images serve as an essential map for deciphering the complexities of your vehicle's electrical setup. These diagrams are a visual aid, allowing you to unravel the intricate web of connections within your vehicle.

Key Components

Identifying the key components within your GMC 2500 is the first step toward understanding the wiring connectors. These diagrams highlight various connectors, their locations, and the role each plays within the vehicle's electrical system. Knowing these components is fundamental to successful troubleshooting or modifications.

Decoding the Diagram

Deciphering the diagram might seem daunting at first, but it's the key to unlocking the potential of your vehicle's electrical layout. The diagrams use symbols, colors, and lines to represent different wires, connections, and components. Learning to interpret these elements empowers you to navigate and understand the wiring configuration.

Diagnostic Adventures

Utilizing these diagrams during diagnostic adventures can save both time and effort. When faced with electrical issues, having access to the wiring connectors diagram images streamlines the troubleshooting process. Pinpointing potential problems becomes more efficient, guiding you toward accurate solutions.

DIY Fixes

For DIY enthusiasts, these diagrams are invaluable. They provide a roadmap for tackling common electrical issues on your GMC 2500. Armed with insights from the wiring connectors diagram images, you can confidently address and resolve minor electrical glitches without extensive professional assistance.

Enhancing Performance

Optimizing your GMC's electrical setup is another advantage of these diagrams. By understanding the connections and potential modifications illustrated in the diagrams, you can enhance the vehicle's performance. Whether it's for efficiency improvements or customizations, these diagrams pave the way for upgrades.

Exploring the Connections

Delve deeper into the connections of your vehicle's electrical network through these diagrams. They provide a comprehensive overview, allowing you to explore how different components interconnect. Understanding these connections aids in both maintenance routines and advanced modifications.

Visual Aid

The visual aid offered by the wiring connectors diagram images simplifies an otherwise complex topic. Visual learners benefit significantly from these diagrams, as they offer a clear representation of the intricate wiring system within the GMC 2500. This visual assistance aids in grasping and retaining information more effectively.

Absolutely, here's a creative exploration of the world behind '1995 GMC 2500 Wiring Connectors Diagram Images.'

An Artistic Journey

Embark on an artistic journey into the underpinnings of your '95 GMC 2500 through the lens of wiring connectors diagram images. These visual marvels serve as portals to a world filled with intricate electrical pathways and hidden connections, each telling a unique story about your vehicle's inner workings. They're not just diagrams; they're gateways to understanding the vehicular symphony of wires, connectors, and circuits.

Unraveling the Mysteries

Let's start our journey by unraveling the mysteries these diagrams hold. Much like decoding an ancient manuscript, these images hide tales of connections that power your GMC 2500. They're the treasure maps guiding both seasoned mechanics and eager DIY enthusiasts through the maze of wires, revealing the secrets of a byzantine electrical system.

The Visual Narrative

Consider these diagrams a visual narrative, a storyboard of your vehicle's electrical essence. They capture the essence of every wire's journey, weaving through components and connectors like characters in an intricate plot. With each symbol, color, and line, a tale unfolds, offering insights into the technological marvels hidden beneath the hood of your GMC 2500.

Junctions and Intersections

At the heart of these diagrams lie junctions and intersections, the bustling city centers of your vehicle's electrical landscape. They're where wires meet, greet, and collaborate to ensure your truck operates seamlessly. Every connector is a bustling square where currents converge, and these diagrams are the guidebooks to navigate this bustling electrical metropolis.

Discovering Connections

Let's venture deeper into the labyrinth of connections these diagrams unveil. Each line represents more than just a wire; it's a lifeline connecting different systems, components, and functionalities within your vehicle. From the fuel system to the lighting setup, these diagrams illuminate the intricate web of connections that keep your GMC 2500 running smoothly.

Artistry in Functionality

There's an artistry in the functionality depicted within these diagrams. The symphony of colors, symbols, and patterns isn't just a visual treat; it's a functional masterpiece. It's the brushstrokes of engineers and designers, crafting an efficient and effective electrical infrastructure that powers your vehicle's performance.

Mapping the Electric Terrain

Think of these diagrams as maps navigating the electric terrain of your GMC 2500. Much like exploring uncharted territory, understanding these diagrams unlocks the potential to traverse the vehicle's electrical landscape with confidence. They're blueprints guiding you through potential upgrades, repairs, and enhancements.

Unlocking DIY Possibilities

For the DIY aficionado, these images aren't just diagrams; they're gateways to limitless possibilities. Armed with this visual arsenal, enthusiasts can embark on electrical adventures, attempting fixes, modifications, and improvements with a newfound understanding. It's the DIY dream come true, empowering hands-on exploration and innovation.

These '1995 GMC 2500 Wiring Connectors Diagram Images' aren't just technical drawings; they're windows into a world of automotive artistry and functionality. They invite you to explore, learn, and create within the intricate realm of your vehicle's electrical architecture.

Another point of view about Sure, here it is: '1995 GMC 2500 Wiring Connectors Diagram Images'..
Absolutely, let's take a humorous look at the '1995 GMC 2500 Wiring Connectors Diagram Images':

1. These wiring diagrams are like treasure maps, except instead of 'X marks the spot,' it's more like 'A marks the alternator' or 'B for battery.' Who knew decoding your truck's electrical system could feel like a scavenger hunt?

2. Ever played detective? Well, welcome to the world of wire sleuthing! These diagrams turn you into a Sherlock Holmes of sorts, except instead of solving mysteries, you're deciphering the enigma of connectors and circuits.

3. Picture this: it's like looking at a roadmap for a city you've never been to, except instead of streets and buildings, it's a wild maze of lines, symbols, and squares. Time to navigate the electrifying cityscape of your truck!

4. Ever watched a spy movie where they're deciphering codes in some high-stakes situation? Well, cue the dramatic music because reading these diagrams feels exactly like that. *Cue intense music*

5. It's like trying to figure out a really complex board game, but instead of rolling dice, you're tracing wires and connectors. Hey, maybe there should be a 'Wiring Diagram Challenge' board game - it'd be electrifying!

6. Imagine you're an astronaut trying to make sense of a control panel in a spaceship. Well, these diagrams make you feel like you're about to launch into the electrical cosmos of your GMC 2500. Houston, we have no problem… as long as we understand this diagram!

7. Ever tried solving a puzzle that's missing a few crucial pieces? Welcome to the world of wiring diagrams where you're always one connector short of a full picture. It's the ultimate puzzle adventure!

8. You know those moments in spy movies where they're trying to disarm a bomb with just seconds left on the timer? Reading these diagrams sometimes feels like that adrenaline rush, except the bomb is actually just a flickering dashboard light.

9. It's like playing connect-the-dots, except instead of creating a cute picture of a duck, you're mapping out the intricate dance of electrons in your truck. Who knew connecting dots could be this illuminating?

10. If life were a video game, deciphering these wiring diagrams would be the ultimate boss level. But fear not, intrepid adventurer, because with a bit of wit and some trial and error, you'll conquer this level like a pro!

Conclusion : Explore 1995 GMC 2500 Wiring Connector Diagram Images.Absolutely, here's a closing message for the visitors of your blog about '1995 GMC 2500 Wiring Connectors Diagram Images':

As we draw the curtain on our exploration of 1995 GMC 2500 wiring connectors diagram images, remember that these diagrams aren't just static images—they're your keys to unlocking the mysteries under your truck's hood. Knowledge is power, and armed with these visual guides, you've got a backstage pass to understand the electrical choreography of your GMC 2500.

So, whether you're a seasoned DIY aficionado or a curious enthusiast peeking into the world of vehicle wiring, keep those diagrams handy. They're your companions in the journey of understanding, troubleshooting, and maybe even upgrading your truck's electrical system. Embrace the quirks of these diagrams, decode the cryptic symbols, and revel in the satisfaction of demystifying the electrical wizardry in your '95 GMC 2500. And remember, if in doubt, those diagrams have your back!

Question and answer Explore 1995 GMC 2500 Wiring Connector Diagram Images

Questions & Answer :Absolutely, let's add a humorous touch to the "People Also Ask" section about '1995 GMC 2500 Wiring Connectors Diagram Images':

1. Can I decode these diagrams without a degree in rocket science?

  • Of course! It's more like deciphering ancient hieroglyphs - a knack for puzzles might come in handy, but a rocket science degree? Nah, you've got this! Just bring your curiosity and a bit of 'let's figure this out' attitude.

2. Do these diagrams have a secret code language?

  • Well, they might as well be written in Klingon for all of us mere mortals. But worry not, these diagrams have a language of their own. Once you crack the code (spoiler alert: it's not that secret), you'll feel like you've mastered a new dialect - the language of wires!

3. Will staring at these diagrams magically fix my truck?

  • As much as we wish diagrams had magical powers, alas, they're more like the map to a treasure chest. You'll still need your trusty tools and a sprinkle of elbow grease to put those insights into action. But hey, staring might give you a eureka moment!

4. Can I use these diagrams as modern art for my living room?

  • Oh, absolutely! Nothing says 'conversation starter' quite like a wiring diagram framed on your wall. Just imagine the puzzled looks from your guests when they try to decipher its deeper meaning. Your truck's electrical map as avant-garde art—why not?

5. Are these diagrams a fun read for a cozy evening?

  • Well, if you're into bedtime stories about circuits and connectors, sure! Consider it a bedtime story that might spark dreams of perfectly wired trucks and endless road trips. Warning: may induce a sudden urge to tinker with engines in your sleep!

Keywords : Sure, here it is: '1995 GMC 2500 Wiring Connectors Diagram Images'.
Share This :