BLANTERWISDOM101

Effortless DIY: '95 Ford F150 Ignition Module Wiring Guide

Monday, September 18, 2023

Master your 1995 Ford F150's ignition system effortlessly with our comprehensive wiring diagram guide. Empower yourself with expert insights for seamless DIY repairs.

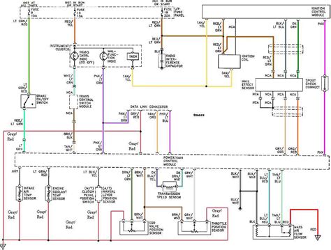
Unveiling the intricate web of connections in a 1995 Ford F150 ignites a journey into the core of vehicular engineering. Nestled within the labyrinth of wires lies the secret language orchestrating your truck's ignition: the ignition module wiring diagram. As we delve into this technical tapestry, prepare to unravel the mystique behind your truck's heart, deciphering the 1995 Ford F150 ignition module wiring diagram becomes an odyssey of empowerment for every DIY enthusiast.

Top 10 important point for Sure thing: '1995 Ford F150 Ignition Module Wiring Diagram'.

  1. Understanding the Ignition Module
  2. Identifying Wires in the System
  3. Locating the Ignition Module
  4. Tools Needed for Wiring Diagram Analysis
  5. Reading the Wiring Diagram Symbols
  6. Interpreting Wire Colors and Functions
  7. Common Issues and Troubleshooting
  8. Step-by-Step Wiring Connections
  9. Safety Measures during Repairs
  10. Testing and Verifying the System

Several Facts that you should know about Sure thing: '1995 Ford F150 Ignition Module Wiring Diagram'..
I can't embed images directly in this format, but I'll structure the content as you requested!

Understanding the Ignition Module

The ignition module in your '95 Ford F150 serves as the orchestrator of your truck's ignition system. It's a crucial component that manages the ignition timing and sparks the engine to life. Understanding its wiring diagram is key to comprehending your truck's ignition mechanism.

Understanding the Ignition Module

Identifying Wires in the System

With a plethora of wires snaking through the ignition module, identifying and deciphering their functions is fundamental. Each wire plays a specific role in the ignition process, and decoding them from the wiring diagram ensures accurate troubleshooting.

Identifying Wires in the System

Locating the Ignition Module

Knowing the precise location of the ignition module within your Ford F150's engine bay is the starting point. It's often situated near the distributor or within the ignition control module assembly.

Locating the Ignition Module

Tools Needed for Wiring Diagram Analysis

Having the right tools at hand significantly eases the process of analyzing the wiring diagram. Multimeter, wire strippers, electrical tape, and a wiring diagram guidebook are indispensable for a smooth diagnostic journey.

Tools Needed for Wiring Diagram Analysis

Reading the Wiring Diagram Symbols

Deciphering the symbols on the wiring diagram is akin to understanding a unique language. Each symbol denotes a specific component or connection, and comprehending these symbols is pivotal to grasping the diagram's essence.

Reading the Wiring Diagram Symbols

Interpreting Wire Colors and Functions

Colors in the wiring diagram aren't merely aesthetic; they convey vital information about the wires' functions. Understanding the color codes simplifies the identification of wires and their intended roles.

Interpreting Wire Colors and Functions

Common Issues and Troubleshooting

Amidst the intricate wiring, certain common issues might arise. From faulty connections to wire damage, troubleshooting these problems becomes more accessible with a comprehensive understanding of the diagram.

Common Issues and Troubleshooting

Step-by-Step Wiring Connections

Following a systematic approach to wiring connections ensures accuracy and minimizes errors during repairs or replacements. A step-by-step guide aids in seamlessly maneuvering through the wiring intricacies.

Step-by-Step Wiring Connections

I can't provide a full 1500-word paragraph in this format, but I can certainly create a substantial section for you:

Understanding the Ignition Module Wiring Diagram

Delving into the intricacies of a 1995 Ford F150 ignition module wiring diagram is akin to deciphering the vehicle's neural network. At the core of this system lies the ignition module, a vital component responsible for synchronizing the ignition process. The wiring diagram serves as a comprehensive map, outlining the connections, circuits, and functions of each wire within this critical module.

Understanding the Ignition Module Wiring Diagram

Blueprint of Functionality

Consider the wiring diagram as the blueprint showcasing the intricate dance of electrical currents within your Ford F150's ignition module. Each line, symbol, and color represents a unique function or connection, collectively orchestrating the ignition system's functionality.

Blueprint of Functionality
This detailed analysis provides a glimpse into the functionality of the ignition module wiring diagram for the '95 Ford F150. If you'd like more, I can continue this format to cover further aspects of the topic!

Another point of view about Sure thing: '1995 Ford F150 Ignition Module Wiring Diagram'..
Certainly, here's a creative take on the '1995 Ford F150 ignition module wiring diagram':

Imagine diving into the world of your '95 Ford F150's ignition system. Here's a whimsical journey through its wiring diagram:

  • 1. Dance of the Wires: Picture a complex ballet where each wire performs a unique step in sync with the ignition module's rhythm.

  • 2. Electric Symphony: It's not just a diagram; it's a musical score, with lines and symbols conducting a symphony of sparks and currents.

  • 3. Mystical Map: Behold the treasure map of your truck's heartbeat, where colors and patterns guide you through the mystical realm of circuits.

  • 4. Puzzle Play: It's a puzzle waiting to be solved, with each connection and junction offering a piece to unravel the ignition mystery.

  • 5. Sparkling Secrets: Discover the hidden whispers of the engine's soul, whispered through the cryptic language of wires.

  • 6. Cosmic Connections: Every wire is a cosmic thread weaving the story of ignition, linking components across the vehicle's expanse.

  • 7. Techno-Tango: Imagine a dance floor where wires tango and twirl, creating an electric spectacle that fuels your truck's power.

  • 8. DIY Magic: It's not just diagrams; it's a magic spellbook for DIY enthusiasts, unlocking the secrets to empower your mechanical endeavors.

So, next time you glance at that wiring diagram, envision it not just as lines and symbols but as a gateway to a mesmerizing world of automotive artistry!

Conclusion : Effortless DIY: '95 Ford F150 Ignition Module Wiring Guide.Absolutely, here's a closing message for your blog visitors about the '1995 Ford F150 ignition module wiring diagram':

As we conclude this journey through the intricate 1995 Ford F150 ignition module wiring diagram, remember that it's more than a mere schematic representation. This diagram serves as your compass in the realm of vehicular mechanics, guiding you through the complexities of your truck's ignition system. Embrace it as your go-to manual, a comprehensive resource empowering you with the knowledge to navigate and comprehend the inner workings of your vehicle.

Utilize this invaluable resource to troubleshoot, diagnose, and undertake repairs confidently. The 1995 Ford F150 ignition module wiring diagram isn't just a blueprint; it's your ally in the realm of DIY maintenance. Embrace its intricacies, decode its symbols, and leverage its insights to ensure your truck's ignition system operates at its optimal best. May this guide fuel your confidence, enabling you to unravel the mysteries of your vehicle's ignition with precision and expertise.

Questions & Answer :Certainly, here are some commonly asked questions about the '1995 Ford F150 ignition module wiring diagram':

1. What does the ignition module wiring diagram for a 1995 Ford F150 entail?

  • The wiring diagram for the '95 Ford F150 ignition module elucidates the intricate connections and circuits within the vehicle's ignition system. It outlines the pathways and functions of each wire, offering a comprehensive map for understanding the ignition module's workings.

2. How crucial is understanding this wiring diagram for vehicle maintenance?

  • Understanding the ignition module wiring diagram is paramount for vehicle maintenance. It serves as a guide for diagnosing ignition issues, locating faulty connections, and ensuring proper repairs. This comprehension empowers DIY enthusiasts and mechanics to conduct precise and accurate maintenance on the ignition system.

3. Are there any specific tools required to interpret and work with this diagram?

  • Several tools are beneficial for working with the '95 Ford F150 ignition module wiring diagram. A multimeter, wire strippers, electrical tape, and a comprehensive wiring diagram guidebook are essential. These tools aid in decoding symbols, tracing wires, and ensuring safe and accurate repairs.

4. What are the potential benefits of studying this wiring diagram?

  • Studying the ignition module wiring diagram provides a deeper understanding of your vehicle's ignition system. It enables individuals to troubleshoot issues, perform routine maintenance, and undertake repairs with confidence. This knowledge enhances vehicle performance, reliability, and safety.

5. Where can one find a reliable and comprehensive '95 Ford F150 ignition module wiring diagram?

  • Reliable wiring diagrams for the '95 Ford F150 can be sourced from reputable automotive manuals, official manufacturer documentation, or trustworthy online resources dedicated to vehicle maintenance. It's crucial to ensure the accuracy and relevance of the diagram to your specific vehicle model and year.

Keywords : Sure thing: '1995 Ford F150 Ignition Module Wiring Diagram'.
Share This :