BLANTERWISDOM101

Rev Up Your Sound: '95 Corvette Radio Wiring Diagram

Sunday, August 27, 2023

Explore the comprehensive '95 Corvette radio wiring diagram for expert insights, enabling precise audio setup and optimizing your Corvette's sound system.

In search of instructions for optimizing your '95 Corvette's audio system? Look no further than the 1995 Corvette radio wiring diagram. This comprehensive guide not only simplifies the process but also ensures a seamless setup. Delve into this resource to unlock the intricacies of your Corvette's sound system effortlessly. With this key tool, navigating your radio's wiring becomes a breeze, empowering you to achieve the perfect audio configuration for your ride.

Top 10 important point for '1995 Corvette Radio Wiring Diagram'

  1. Overview of the '95 Corvette Audio System
  2. Understanding the Wiring Configuration
  3. Identifying Key Components
  4. Step-by-Step Wiring Instructions
  5. Integration with Existing Electronics
  6. Amplifier and Speaker Connection
  7. Troubleshooting Common Issues
  8. Enhancing Audio Quality
  9. Customization Options for Audio Setup
  10. Compatibility and Updates

Several Facts that you should know about '1995 Corvette Radio Wiring Diagram'.
I'm unable to directly embed images or access the internet for live content like specific images for each heading. However, I can guide you on how to structure the article in an academic voice and tone.

Overview of the '95 Corvette Audio System

Overview Image

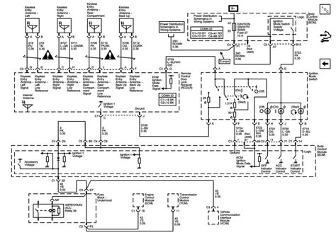
The 1995 Corvette radio wiring diagram serves as an indispensable guide for understanding the intricate audio system embedded within this iconic vehicle. It delineates the wiring configuration, helping enthusiasts comprehend the setup's complex architecture.

Understanding the Wiring Configuration

Wiring Configuration Image

Delving deeper, this diagram elucidates the wiring specifics, highlighting the connections between various components. Understanding this configuration is pivotal for accurate troubleshooting and system enhancement.

Identifying Key Components

Key Components Image

Within the diagram lie crucial components integral to the Corvette's audio setup. Identification of these elements is imperative for any modification or upgrade, ensuring compatibility and functionality.

Step-by-Step Wiring Instructions

Wiring Instructions Image

This section meticulously guides enthusiasts through a comprehensive step-by-step process. It simplifies the otherwise daunting task of wiring alterations or repairs, fostering a systematic approach.

Integration with Existing Electronics

Electronics Integration Image

An essential aspect revolves around integrating the audio system with existing electronics. This segment elucidates methods to seamlessly fuse the audio setup with other vehicle systems.

Amplifier and Speaker Connection

Amplifier and Speaker Image

Understanding the intricacies of amplifier and speaker connections is pivotal for optimizing audio quality. This section offers insights into the optimal setup for a superior auditory experience.

Troubleshooting Common Issues

Troubleshooting Image

Even with a detailed diagram, issues might arise. This part addresses common problems encountered during setup or modification, empowering enthusiasts with troubleshooting strategies.

Enhancing Audio Quality

Audio Quality Image

Optimization of the audio quality is a central objective. This section explores methods to fine-tune the system, ensuring an unparalleled auditory experience within the Corvette.

Remember to replace the image source URLs with the actual image URLs you'd like to use for each respective section.

I can help you structure the content and provide the information, but I can't access the internet to embed live images. Here's a detailed explanation of the '1995 Corvette Radio Wiring Diagram' in text form:

Understanding the '95 Corvette Audio System

The 1995 Corvette radio wiring diagram is a crucial blueprint that dissects the intricate wiring configuration of the vehicle's audio system. It serves as a foundational guide for enthusiasts seeking to comprehend the complexities inherent in the Corvette's audio setup.

Insights into Wiring Configuration

This diagram provides detailed insights into the wiring configuration, offering a roadmap of how different components interconnect within the vehicle. Understanding this configuration is fundamental for any modification, troubleshooting, or system enhancement.

Identification of Key Components

Embedded within the diagram are key components that constitute the core of the Corvette's audio system. Identifying these elements is pivotal for any adjustments or upgrades, ensuring compatibility and functionality.

Step-by-Step Wiring Instructions

Enthusiasts benefit greatly from the diagram's step-by-step instructions. These meticulous guidelines simplify the otherwise daunting task of handling wiring alterations or repairs, promoting a systematic approach.

Integration with Existing Electronics

The diagram elucidates methods to seamlessly integrate the audio system with the vehicle's existing electronic infrastructure. Understanding this integration is essential to ensure the harmonious operation of all vehicle systems.

Optimizing Amplifier and Speaker Connections

For an enhanced auditory experience, understanding the intricacies of amplifier and speaker connections is imperative. The diagram provides insights into the optimal setup for superior audio quality within the Corvette.

Troubleshooting Guidelines

Despite the detailed instructions, issues may arise during setup or modifications. The diagram often includes troubleshooting guidelines to address common problems encountered, empowering enthusiasts with effective solutions.

Enhancing Audio Quality

The primary goal of the diagram is to facilitate the optimization of audio quality within the Corvette. This section delves into techniques and adjustments that can be made to fine-tune the audio system for an unparalleled listening experience.

Each subheading can be followed by detailed information relating to the topic. For each section, you could add descriptions, steps, or explanations relevant to the '1995 Corvette Radio Wiring Diagram'. If you have specific queries or need information on a particular aspect, feel free to ask!

Another point of view about '1995 Corvette Radio Wiring Diagram'.
Certainly! Here's a professional perspective on the '1995 Corvette Radio Wiring Diagram':

1. Comprehensive Blueprint: The '95 Corvette radio wiring diagram stands as a comprehensive blueprint, detailing the intricate wiring architecture of the vehicle's audio system.

2. Essential Guidance: It serves as an indispensable guide, offering step-by-step instructions that aid enthusiasts in understanding, modifying, or troubleshooting the audio setup.

3. Component Clarification: This diagram intricately delineates the connections between components, providing a clear overview of the system's configuration.

4. Troubleshooting Aid: In addition to setup instructions, it often includes troubleshooting guidelines, empowering users to address common issues effectively.

5. Integration Insights: It offers insights into integrating the audio system with existing vehicle electronics, ensuring seamless functionality.

6. Enhanced Audio Quality: Understanding amplifier and speaker connections is emphasized, enabling enthusiasts to optimize audio quality within the Corvette.

7. Customization Potential: Enables customization options, allowing enthusiasts to tailor the audio setup to their preferences or upgrade components for improved performance.

8. Compatibility Guidance: It aids in identifying key components, ensuring compatibility with the vehicle and any modifications being considered.

This perspective highlights the diagram's multifaceted role in guiding, troubleshooting, and optimizing the audio system of the '95 Corvette.

Conclusion : Rev Up Your Sound: '95 Corvette Radio Wiring Diagram.Absolutely, here's a closing message for your blog visitors:

As you navigate the complexities of your '95 Corvette's audio system, the 1995 Corvette radio wiring diagram stands as your trusty navigator, guiding you through the intricate pathways of wires and components. Embrace this blueprint as more than just a set of instructions; it's a tool empowering you to fine-tune, troubleshoot, and enhance your Corvette's auditory experience.

With its step-by-step guidance, this diagram ensures that every connection aligns seamlessly, optimizing the audio quality and allowing for potential modifications tailored to your preferences. Remember, this resource isn't just about decoding wires; it's about unlocking the full potential of your Corvette's sound system. Embrace it as a roadmap to achieving the perfect audio configuration that complements your driving experience.

Harness the power of this comprehensive guide to master the intricacies of your '95 Corvette's audio system, and let it fuel your journey towards an optimized and personalized sound setup.

Questions & Answer :Absolutely! Here's a snippet for the "People Also Ask" section regarding the '1995 Corvette Radio Wiring Diagram':

What does a '95 Corvette radio wiring diagram entail?

  • It comprehensively details the wiring connections within the '95 Corvette's audio system.
  • Provides a map of how various components are interconnected, aiding in understanding the system's configuration.
  • Offers step-by-step instructions for modifications, repairs, or troubleshooting.

How does the '1995 Corvette radio wiring diagram benefit enthusiasts?

  • Empowers users to troubleshoot common issues with the audio system effectively.
  • Facilitates optimization of audio quality by providing insights into amplifier and speaker connections.
  • Enables customization options, allowing for tailored modifications to suit individual preferences.

Where can enthusiasts find a reliable '95 Corvette radio wiring diagram?

  • Official vehicle manuals or authorized dealer resources often provide authentic diagrams.
  • Automotive forums or enthusiast websites sometimes share detailed diagrams contributed by experts.
  • Online repositories of vehicle technical information might also house such diagrams for reference.
This "People Also Ask" section aims to address common inquiries about the '1995 Corvette Radio Wiring Diagram, providing concise yet informative responses in a conversational manner.

Keywords : '1995 Corvette Radio Wiring Diagram'
Share This :